Denominação inicial: Projeto de residência para o Snr. Joaquim Alves dos Reis
Denominação atual:
Categoria (Uso): Residência
Subcategoria: Residência de Médio Porte
Endereço: Avenida Siqueira Campos s/n
Número de pavimentos: 2
Área do pavimento: 319,00 m²
Área Total: 319,00 m²
Técnica/Material Construtivo: Concreto Armado
Data do Projeto Arquitetônico: 21/11/1934
Alvará de Construção: N° 863/1934
Descrição: Projeto Arquitetônico para construção de uma residência e Alvará de Construção com Memória de Cálculo.
Situação em 2012: Demolido
Imagens
1 - Projeto Arquitetônico.
2 - Planta baixa e cortes das estruturas em concreto armado.
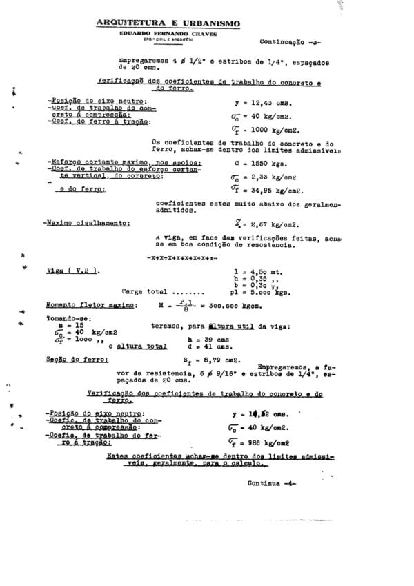
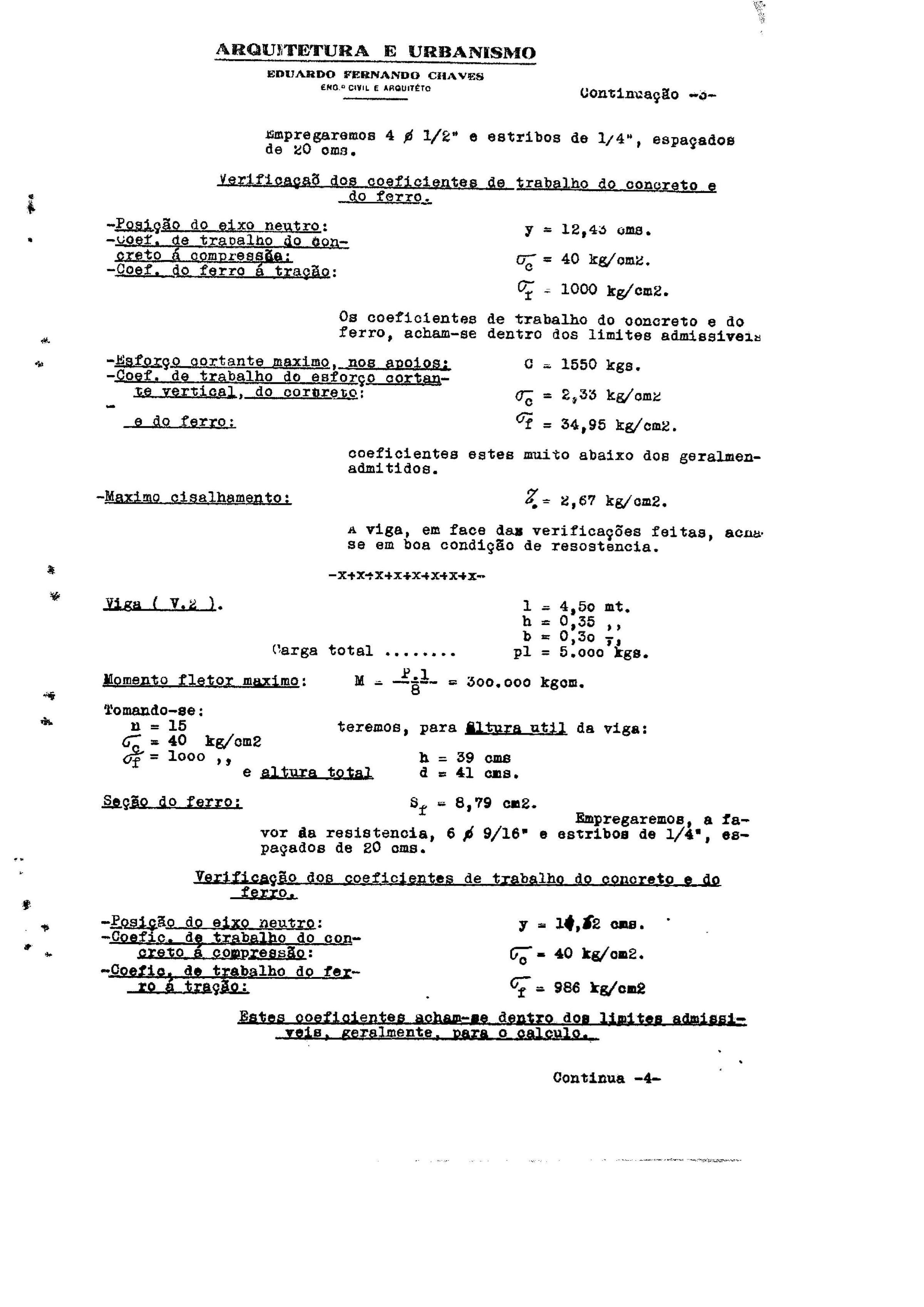
3 - Alvará de Construção com Memória de Cálculo.
Referências:
1- CHAVES, Eduardo Fernando. Construção para o Snr. Joaquim Alves dos Reis. Planta dos pisos térreo e superior, fachada principal e lateral direita, corte, implantação e muro; planta das vigas e sapatas representados em duas pranchas. Microfilme digitalizado.
2 – Alvará n.º 863
1 - Projeto Arquitetônico.
2 - Planta baixa e cortes das estruturas em concreto armado.
3 - Alvará de Construção com Memória de Cálculo.
3 - Alvará de Construção com Memória de Cálculo.
3 - Alvará de Construção com Memória de Cálculo.
3 - Alvará de Construção com Memória de Cálculo.
3 - Alvará de Construção com Memória de Cálculo.
3 - Alvará de Construção com Memória de Cálculo.
3 - Alvará de Construção com Memória de Cálculo.
3 - Alvará de Construção com Memória de Cálculo.
3 - Alvará de Construção com Memória de Cálculo.
3 - Alvará de Construção com Memória de Cálculo.
3 - Alvará de Construção com Memória de Cálculo.
3 - Alvará de Construção com Memória de Cálculo.
3 - Alvará de Construção com Memória de Cálculo.
Acervo: Arquivo Público Municipal de Curitiba; Prefeitura Municipal de Curitiba.
A Residência de Joaquim Alves dos Reis: Um Marco da Arquitetura Moderna em Curitiba — e Sua Perda Irreparável
Introdução
Em novembro de 1934, enquanto o Brasil vivia os primeiros anos do Estado Novo e Curitiba se preparava para uma nova fase de urbanização, era apresentado ao órgão municipal de obras um projeto arquitetônico ousado para a época: a residência de médio porte do Sr. Joaquim Alves dos Reis, localizada na prestigiada Avenida Siqueira Campos. Assinado pelo arquiteto Eduardo Fernando Chaves, o projeto não apenas revelava o gosto refinado de seu proprietário, mas também marcava um ponto de virada técnica na construção civil curitibana: era erguida em concreto armado, material ainda pouco comum em edificações residenciais naquele momento.
Infelizmente, apesar de sua relevância histórica e construtiva, a casa foi demolida antes ou durante 2012, desaparecendo do tecido urbano da cidade — mas não da memória arquivística. Seus desenhos, cálculos estruturais e alvará permanecem preservados no Arquivo Público Municipal de Curitiba, como testemunhos silenciosos de uma arquitetura que ousou ser moderna antes do tempo.
Ficha Técnica
- Denominação inicial: Projeto de residência para o Snr. Joaquim Alves dos Reis
- Denominação atual: —
- Categoria (Uso): Residência
- Subcategoria: Residência de Médio Porte
- Endereço: Avenida Siqueira Campos, s/n – Curitiba, PR
- Número de pavimentos: 2 (térreo e superior)
- Área por pavimento: 319,00 m²
- Área total construída: 319,00 m² (indica que apenas um dos pavimentos foi contabilizado formalmente, ou que os dois compartilhavam a mesma área útil)
- Técnica/Material construtivo: Concreto armado
- Data do Projeto Arquitetônico: 21 de novembro de 1934
- Alvará de Construção: nº 863/1934
- Situação em 2012: Demolido
Inovação Técnica: A Coragem do Concreto Armado
O que torna esta residência verdadeiramente notável é seu sistema estrutural. Em 1934, a maioria das casas em Curitiba ainda era construída em alvenaria de tijolos maciços, com estruturas de madeira para coberturas e lajes. O uso de concreto armado — material caro, exigente em cálculo e mão de obra especializada — era reservado a edifícios públicos, indústrias ou obras de grande vulto.
No entanto, o projeto de Joaquim Alves dos Reis incluía plantas detalhadas das vigas, sapatas e elementos estruturais, além de uma Memória de Cálculo anexada ao alvará — demonstrando rigor técnico incomum para uma residência privada. Isso sugere que o proprietário não apenas dispunha de recursos, mas também valorizava a inovação, a durabilidade e a modernidade.
A escolha do concreto também permitia vãos maiores, fachadas mais livres e uma planta mais flexível — antecipando princípios que só seriam plenamente desenvolvidos na arquitetura moderna brasileira na década de 1940 e 1950.
O Projeto Arquitetônico: Elegância e Simetria
Elaborado por Eduardo Fernando Chaves — profissional de destaque na engenharia e arquitetura curitibana, ligado à influente família Chaves —, o projeto foi apresentado em duas pranchas detalhadas, contendo:
- Plantas dos pavimentos térreo e superior, com distribuição clara entre áreas sociais (salas, jantar, escritório) e íntimas (dormitórios, banheiros);
- Fachadas principal e lateral direita, marcadas por simetria, proporções equilibradas e possivelmente elementos ecléticos ou neocoloniais, ainda em voga na época;
- Corte transversal, revelando pé-direito generoso e estrutura em concreto;
- Planta de implantação no terreno da Avenida Siqueira Campos — uma das principais vias de ligação do centro com os bairros emergentes;
- Detalhamento do muro de fechamento, indicando preocupação com a composição do lote como um todo;
- Planta estrutural específica, com vigas, pilares e fundações em concreto armado — rara em projetos residenciais da época.
Com 319 m² por pavimento, a residência era, de fato, de médio porte, mas com a sofisticação de uma casa de elite. Sua localização na Avenida Siqueira Campos — então rota de residências de classe alta — reforça a hipótese de que Joaquim Alves dos Reis era um homem de posição: talvez industrial, advogado, médico ou alto funcionário público.
O Desaparecimento: Uma Perda para a Memória Urbana
A demolição do imóvel, registrada até 2012, representa mais do que a simples substituição de um terreno. Trata-se da perda de um exemplar pioneiro — uma das primeiras residências em concreto armado de Curitiba, concebida com rigor técnico e estético, e que poderia ter servido como referência para estudos sobre a transição da arquitetura tradicional para a moderna na cidade.
Sua ausência física contrasta com a riqueza de seu registro arquivístico. As duas pranchas de projeto, o alvará com memória de cálculo e os desenhos estruturais são, hoje, peças raras que ilustram um momento crucial na história da construção civil paranaense.
Conclusão: Lembrar Para Não Apagar
A casa de Joaquim Alves dos Reis não sobreviveu ao tempo, mas sua história persiste nos traços de tinta e nos cálculos de engenharia guardados no Arquivo Público. Ela nos lembra que a modernidade em Curitiba não começou apenas com Niemeyer ou com o Plano Agache, mas com homens e mulheres que, em suas casas, ousaram experimentar o novo.
Que este artigo sirva como homenagem a Joaquim Alves dos Reis, ao arquiteto Eduardo Fernando Chaves, e a todas as edificações silenciosas que, mesmo desaparecidas, ensinam sobre o que fomos — e o que poderíamos ter preservado.
Preservar não é apenas manter paredes de pé. É honrar a coragem de quem construiu o futuro com as mãos do presente.
Fontes e Referências
- CHAVES, Eduardo Fernando. Construção para o Snr. Joaquim Alves dos Reis. Plantas dos pisos térreo e superior, fachadas principal e lateral direita, corte, implantação, muro, planta de vigas e sapatas. Representadas em duas pranchas. Microfilme digitalizado.
- Alvará de Construção nº 863/1934, com Memória de Cálculo.
Acervo: Arquivo Público Municipal de Curitiba / Prefeitura Municipal de Curitiba.















Nenhum comentário:
Postar um comentário